ZR-7 /S

Select Subcategory

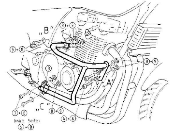
Valbeugel chroom Hepco&Becker Kawasaki ZR-7 /S '01-03

Kawasaki ZR-7 '99-03 / ZR-S '01-03
€193,28

Verhoging set (25mm) Kawasaki ZR7 '99

Kawasaki ZR7 '99
€147,93

Verlaging set (25mm) Kawasaki ZR-7 /S / ZZR600 '90-

Kawasaki ZR-7 /S / ZZR600 '90-
€147,93

Voetsteunen ABM achterzijde Kawasaki diverse modellen (KA2)

Kawasaki diverse modellen (KA2)
€57,02

Voetsteunen ABM voorzijde Kawasaki verschillende modellen (KA1)

Kawasaki verschillende modellen (KA1)
€57,02

Windscherm Basic Vario licht getint Puig

€189,08
Close
Filters Clear All
Min: €5,00 Max: €232,00
5 232
Categorie
Fabrikanten